The RFID- Handbook contains all information about RFID, Radio Frequency Identification, Transponder, RFID Tag, RFID Reader, 14443, 15693, 18000, GTAG, EPC, Antenna, ...

Home
The Book
Purchase book
Downloads
About RFID
Links
RFID Forum
Sitemap
Contact
Impressum

 

Newsfeed

RSS Newsfeed 

Testcard


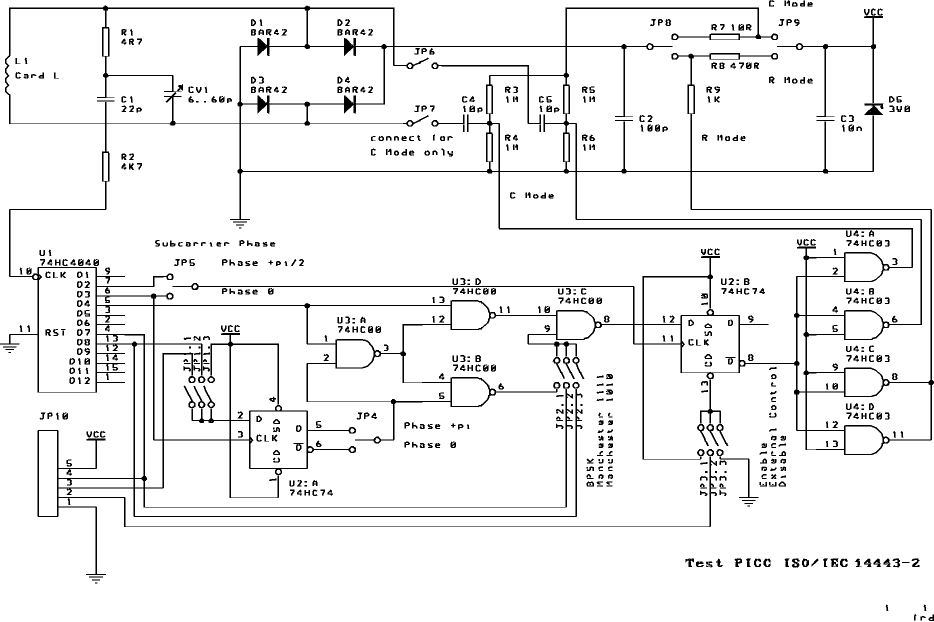
    ISO 14443-Testcard - Circuit and Layout

    Please find below the PCB- and layout-data for the ISO 14443-testtransponder, described in the 2nd German and the Japanese eddition of the RFID-Handbook - download layout-file here.
    An dieser Stelle finden Sie eine Kurzbeschreibung für das Layout der ISO 14443-Testkarte aus Kapitel 15.4 .1 - "Testkartenach ISO 14443" der 2. deutschen, sowie der Japanischen Auflage - die Layoutdaten können Sie hier downloaden.

click to enlarge

Schaltplan der Testcarte (auf Bild clicken für Großansicht)
Circuit of the testcard (click onto circuit to enlarge)

Bestückungsseite der Testkarte
Layout of the tescard (front side)

    Im ZIP-Archiv finden Sie folgende Dateien / the arcive provides following files:

lay*.gif

Bestückungsseite, Lötseite und Bestückungsplan als GIF-Bild im Maßstab 1:1

Layout of front-, solderside and top overlay, as GIF-picture.

lay*.ps

Bestückungsseite, Lötseite und Bestückungsplan im Postscript-Format, Maßstab 1:1

Layout of front- and solderside, as postscript-file.

m14443.apt

Blendentabelle

Aperture-file

m14443.drl

Bohrkoordinaten

Drilling coordinates

m14443.drr

Bohr Reportfile

Drill report file

m14443.gbl

Gerber Bottom Layer

Gerber bottom layer

m14443.gtl

Gerber Top Layer

Gerber top layer

m14443.gto

Gerber Top Overlay (Bestückungsplan)

Gerber top overlay

m14443.hpg

Bestückungsplan als HPGL-File

Top overlay, HPGL-file

last update:
01 Juni, 2012

go one page leftgo one page upgo one page right